| มีจำหน่าย: | |
|---|---|
ภาพรวมผลิตภัณฑ์
อุปกรณ์เติมน้ำแรงดันคงที่แบบไล่ก๊าซอัตโนมัติเป็นอุปกรณ์บำบัดน้ำรูปแบบใหม่ที่พัฒนาโดยบริษัทของเราอย่างอิสระ โดยนำเทคโนโลยีขั้นสูงระดับสากลมาใช้ โดยรวมฟังก์ชันหลัก 3 ประการ ได้แก่ การควบคุมแรงดันคงที่ การจ่ายน้ำอัตโนมัติ และการกำจัดแก๊สแบบสุญญากาศ ไว้ในฟังก์ชันเดียว ออกแบบมาโดยเฉพาะสำหรับระบบทำความร้อนส่วนกลางและระบบปรับอากาศส่วนกลาง
อุปกรณ์นี้แก้ไขปัญหาหลักได้อย่างมีประสิทธิภาพ เช่น แรงดันของระบบที่ไม่เสถียร การจ่ายน้ำไม่เพียงพอ และการสะสมของก๊าซในระบบน้ำปิด ทำให้มั่นใจได้ถึงการทำงานที่ปลอดภัย เสถียร และมีประสิทธิภาพของทั้งระบบ ด้วยเทคโนโลยีการควบคุม PLC ขั้นสูง การกำหนดค่าส่วนประกอบที่เชื่อถือได้ และการทำงานที่ใช้งานง่าย ทำให้สามารถนำไปใช้อย่างกว้างขวางกับสถานการณ์การไหลเวียนของน้ำแบบปิดต่างๆ โดยมอบโซลูชันการบำบัดน้ำระดับมืออาชีพและมีประสิทธิภาพสำหรับผู้ใช้ในอุตสาหกรรมและเชิงพาณิชย์
ข้อมูลจำเพาะทางเทคนิค
ประเภทนิวเมติก
ข้อมูลจำเพาะและรุ่น
ตัวอย่าง: ECH-DY-1-320
DY - ถังไดอะแฟรมนิวแมติก
1 - ช่วงการไหลของปั๊มน้ำเสริม
320 - ปริมาตรประสิทธิภาพของถังไดอะแฟรม
หมายเหตุสำหรับการคัดเลือก
พารามิเตอร์ของระบบ
ประเภทระบบ (เช่น ระบบน้ำเย็น)
ปริมาณน้ำของระบบ 
แรงดันใช้งาน (1.0MPa, 1.6MPa, 2.5MPa)
พารามิเตอร์อื่น ๆ ที่ลูกค้าต้องการ
การกำหนดค่าอุปกรณ์
อัตราการไหลของปั๊มน้ำเสริม ≥ 4 ม./ชม. และระบบใช้การจ่ายน้ำความถี่แปรผัน
แรงดันไฟฟ้า AC380V
มีปั๊มน้ำเสริม 1 ตัวที่ใช้งานอยู่ และอีก 1 ตัวสำหรับสำรอง
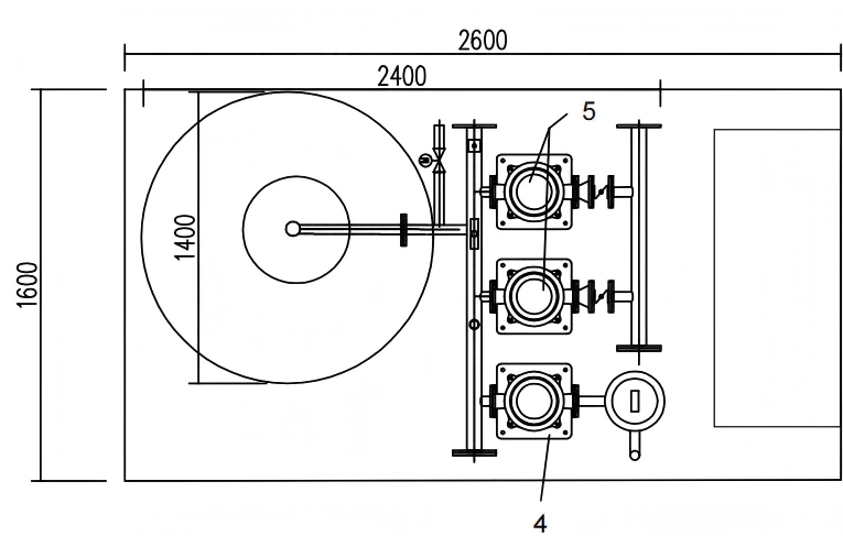
| 5 | ปั๊มแต่งหน้า | อัตราการไหล16 ลบ.ม./ชม., หัว 83 ม. (ปั๊ม Wilo) | 2 |
| 4 | ปั๊มไล่ก๊าซ | อัตราการไหล2m3/h,Head83m(ปั๊ม Wilo) | 1 |
| 3 | ถังไล่ก๊าซ | วัสดุ: สแตนเลส 304 ความดันการออกแบบ: 1.6 MPa | 1 |
| 2 | ถังแรงดัน เส้นผ่านศูนย์กลาง 1400 มม. ความสูง 2950 มม. เหล็กคาร์บอน (พร้อมไดอะแฟรมยางบิวทิลในตัว) ถังแรงดัน 1.6MPA |
1 | |
| 1 | ตู้ควบคุม | PLC、แผงสัมผัสIP54 ปรับความถี่ได้ | 1 |
| หมายเลขสินค้า | คำอธิบาย | หมายเหตุ | ปริมาณ |


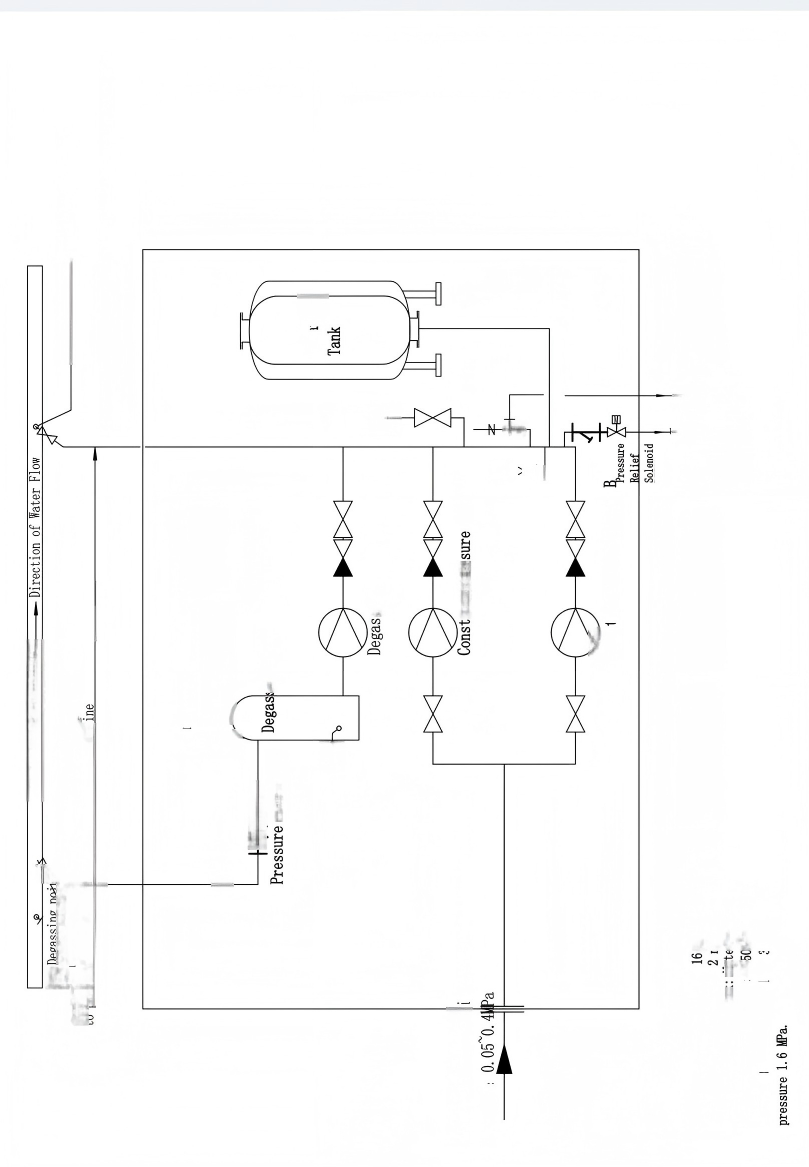
หลักการทำงานของอุปกรณ์จ่ายน้ำและ degassing comnstan peressure มีดังนี้:
แรงดันสถิตของระบบ มม. ถูกใช้เป็นแรงดันเริ่มต้นที่ออกแบบไว้ภายในถังขยาย และความดันที่จำเป็นเพื่อป้องกันไม่ให้น้ำร้อนในระบบจากการระเหยกลายเป็นไอใช้เป็นหัวแรงดันส่วนปลายปฏิบัติการภายในถังขยาย ในระหว่างการทำงานครั้งแรก ปั๊มน้ำแต่งหน้าจะเริ่มทำงานเพื่อเติมน้ำลงในระบบและห้องเก็บน้ำภายในถังแรงดัน เมื่อระบบเต็มแล้ว น้ำส่วนเกินจะถูกบังคับให้เข้าไปในกระเพาะปัสสาวะ เนื่องจากไม่สามารถอัดตัวของน้ำได้ เมื่อปริมาณน้ำเพิ่มขึ้นอย่างต่อเนื่อง ปริมาตรของห้องเก็บน้ำก็ขยายตัวเช่นกัน บีบอัดช่องอากาศและทำให้แรงดันภายในถังเพิ่มขึ้น เมื่อความดันถึงแรงดันที่ออกแบบไว้ ตัวควบคุมความดันจะปิดปั๊มน้ำแต่งหน้า
แรงดันที่เพิ่มขึ้นเหนือแรงดันที่ออกแบบไว้ น้ำส่วนเกินจะถูกระบายผ่านวาล์วนิรภัยกลับไปยังถังเก็บน้ำแต่งหน้าเพื่อนำกลับมาใช้ใหม่ เมื่อปริมาตรน้ำในระบบลดลงเนื่องจากการรั่วไหลหรืออุณหภูมิลดลง ทำให้แรงดันของระบบลดลง น้ำในกระเพาะปัสสาวะจะถูกกดเข้าไปในเครือข่ายท่ออย่างต่อเนื่องเพื่อชดเชยการสูญเสียแรงดันที่ลดลง เมื่อแรงดันของระบบลดลงจนถึงแรงดันที่ออกแบบขั้นต่ำที่อนุญาต ตัวควบคุมแรงดันจะรีสตาร์ทปั๊มน้ำแต่งหน้าเพื่อจ่ายน้ำให้กับเครือข่ายท่อและถังแรงดัน กระบวนการนี้จะเกิดซ้ำในวงจร
ข้อมูลจำเพาะทางเทคนิค |
||||||||||
พารามิเตอร์การออกแบบ |
มาตรฐานการออกแบบ การผลิต และการตรวจสอบ |
|||||||||
ประเภทคอนเทนเนอร์ |
ฉัน |
150GB. 1~ 150.4-2024 《 ภาชนะรับฝาก 》 |
||||||||
ความเครียดจากการทำงาน MPa |
1.6 |
|||||||||
ความดันการออกแบบ MPa |
1.6 |
ข้อกำหนดการผลิตและการตรวจสอบ |
||||||||
อุณหภูมิในการทำงาน ℃ |
80 |
ประเภทตัวเชื่อมต่อ |
ประเภทของข้อต่อเชื่อมจะต้องเป็นไปตามข้อกำหนดของ HG20583-2011 เว้นแต่จะระบุไว้เป็นอย่างอื่นในรูปวาด รอยเชื่อมระหว่างหัวฉีด กระบอกสูบด้านใน และหัวจะต้องเจาะจนสุด และขนาดเนื้อสำหรับรอยเชื่อมเนื้อจะขึ้นอยู่กับความหนาของแผ่นทินเนอร์ การเชื่อมแบบแปลนต้องเป็นไปตามข้อกำหนดของมาตรฐานหน้าแปลนที่เกี่ยวข้อง ข้อกำหนดอื่นๆ ทั้งหมดจะต้องเป็นไปตามข้อกำหนดของ GB/T985.1-2008 |
|||||||
อุณหภูมิการออกแบบ ℃ |
120 |
|||||||||
ปานกลาง |
น้ำอากาศ |
|||||||||
คุณสมบัติของสื่อ |
ปลอดสารพิษไม่ระเบิด |
|||||||||
ความหนาแน่นของตัวกลาง iha 3 |
||||||||||
วัสดุของส่วนประกอบรับแรงดันหลัก |
Q345R |
|||||||||
ค่าเผื่อการกัดกร่อน |
||||||||||
กระบอก สัมประสิทธิ์การเชื่อม |
0.85/1.0 |
เชื่อมrdd |
การเชื่อมระหว่าง XX และ XX |
เกรดลวดเชื่อม |
||||||
ข้อกำหนดขั้นตอนการเชื่อม |
NB/T47015-2023 |
|||||||||
การเคลือบและการขนส่งบรรจุภัณฑ์ของภาชนะรับแรงดัน |
NB/T10558-2021 |
การ ไม่ |
อัตราการตรวจจับ วิธีการ |
มาตรฐานการทดสอบ |
เกรดผ่าน |
|||||
ปริมาณรวม |
3.1 |
เอ |
กระบอก |
RT/20% และไม่น้อยกว่า 250 มม |
NB/T47013.2-2015 |
Ⅲ/เอบี |
||||
ความรุนแรงของแผ่นดินไหว |
/ |
|||||||||
ประเภทของดินที่ไซต์ |
/ |
ฝาปิดท้าย |
RT/100% |
NB/T47013.2-2015 |
Ⅱ/เอบี |
|||||
ความหยาบผิว |
/ |
ที่เกี่ยวหู |
มอนแทนา/100% |
NB/T47013.4-2015 |
Ⅰ |
|||||
รุ่นเซฟตี้วาล์ว |
/ |
ทดสอบ |
ประเภทของการทดสอบ |
|||||||
แรงดันตั้งวาล์วนิรภัย |
/ |
แรงดันทดสอบไฮดรอลิก Mpa |
1.6 |
|||||||
ความหนาของฉนวน |
/ |
อายุการใช้งานการออกแบบ (ที่คาดไว้) ของภาชนะรับความดัน |
10 ปี |
|||||||
ความสามารถในการยกสูงสุด |
~285 |
ตำแหน่งทางออกของท่อ |
ดูรูปด้านล่าง |
|||||||
ส่วนประกอบรับน้ำหนักหลัก |
||||||||||
ชื่อวัสดุ |
มาตรฐานวัสดุ |
สภาพการจัดส่ง |
หมายเหตุ |
|||||||
Q345R |
กิกะไบต์/T713.2-2023 |
รีดร้อน |
เชลล์และเฮด |
|||||||
20 |
กิกะไบต์/T8163-2018 |
รีดร้อน |
หัวฉีด |
|||||||
20ครั้งที่สอง |
NB/T47008-2017 |
การทำให้เป็นมาตรฐาน |
หน้าแปลน |
|||||||
อุปกรณ์ท่อ |
||||||||||
เครื่องหมาย |
ขนาดที่กำหนด |
มาตรฐานการเชื่อมต่อหน้าแปลน |
พื้นผิวปิดผนึก |
วัตถุประสงค์หรือชื่อ |
||||||
ก |
RP1/2 |
/ |
ด้ายภายใน |
การเชื่อมต่อวาล์วไอเสีย |
||||||
ข |
M20X1.5 |
/ |
ด้ายภายใน |
การเชื่อมต่อเกจวัดความดัน |
||||||
ค |
ม10 |
/ |
/ |
การเชื่อมต่อวาล์วเงินเฟ้อ |
||||||
ง |
PN25 DN50 |
HG/T20592-2009 |
รฟ |
ทางเข้าและทางออก |
||||||
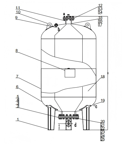
ตารางการเลือกข้อมูลจำเพาะ (อุปกรณ์มาตรฐาน: หนึ่งอันสำหรับการใช้งานและอีกอันสำหรับการสำรอง ถังไดอะแฟรมเดี่ยวและระบบควบคุมอัจฉริยะ)
| หมายเลขรุ่น Z | ช่วงการไหลของปั๊มน้ำเสริม (m³/h) | ช่วงการไหลของปั๊มน้ำเสริมของไดอะแฟรมแทน (m³/h) k ปริมาตรที่มีประสิทธิภาพ (L) | ขนาด (ย*ก*ส) มม | วิธีการเชื่อมต่อลำกล้องน้ำเข้า | วิธีการเชื่อมต่อของความสามารถในการจ่ายน้ำ | วิธีการเชื่อมต่อลำกล้องระบายน้ำ | น้ำหนัก (กก.) | พื้นที่ใช้งาน (m²) |
| ECH-DY-2-100 | 0.5-2.5 | 200 | 1350*800*1200 | DN50/หน้าแปลน | DN50/หน้าแปลน | DN25/เกลียว | 300 | 7500-23000 |
| อีซีเอช-DY-4-200 | 2.5-4.5 | 400 | 1350*800*1200 | DN50/หน้าแปลน | DN50/หน้าแปลน | DN25/เกลียว | 320 | 23000-38000 |
| อีซีเอช-DY-6-400 | 4.5-6.5 | 600 | 1350*800*1200 | DN50/หน้าแปลน | DN50/หน้าแปลน | DN25/เกลียว | 350 | 38000-53000 |
| อีซีเอช-DY-8-400 | 6.5-8.5 | 600 | 1350*800*1200 | DN50/หน้าแปลน | DN50/หน้าแปลน | DN25/เกลียว | 380 | 53000-68000 |
| อีซีเอช-DY-10-600 | 8.5-10.5 | 800 | 1550*950*1800 | DN50/หน้าแปลน | DN50/หน้าแปลน | DN25/เกลียว | 500 | 68000-83000 |
| อีซีเอช-DY-12-600 | 10.5-12.5 | 800 | 1550*950*1800 | DN50/หน้าแปลน | DN50/หน้าแปลน | DN25/เกลียว | 560 | 83000-98000 |
| อีซีเอช-DY-14-600 | 12.5-14.5 | 800 | 1550*950*1800 | DN50/หน้าแปลน | DN50/หน้าแปลน | DN25/เกลียว | 600 | 98000-113000 |
| อีซีเอช-DY-16-800 | 14.5-16.5 | 1000 | 160*2600*3250 | DN50/หน้าแปลน | DN50/หน้าแปลน | DN25/เกลียว | 650 | 113000-129000 |
| อีซีเอช-DY-18-800 | 16.5-18.5 | 1000 | 160*2600*3250 | DN50/หน้าแปลน | DN50/หน้าแปลน | DN25/เกลียว | 700 | 129000-142000 |


25 |
HG/T20592-2009 |
หน้าแปลน |
PL50(B)-25RF |
1 |
20ครั้งที่สอง |
24 |
กิกะไบต์/T8163-2018 |
ข้อศอก |
DN50 |
1 |
20ครั้งที่สอง |
23 |
กิกะไบต์/T6170-2015 |
เชื่อมต่อท่อ |
φ57X3.5 |
1 |
20# |
22 |
กิกะไบต์/T5782-2016 |
นัท |
ม30 |
16 |
45# |
21 |
HG/T20592-2009 |
สายฟ้า |
M30X140 |
16 |
45# |
20 |
ฝาครอบหน้าแปลน |
BL150-25RF |
1 |
20ครั้งที่สอง |
|
19 |
ข้อต่อซ็อกเก็ต |
ม10 |
1 |
20# |
|
18 |
แคปซูล |
SN-1400 |
1 |
ยาง |
|
17 |
แผ่น |
dN150x6-C(300) |
1 |
Q345R |
|
16 |
NB/T11025-2022 |
หน้าแปลน |
PL150(B)-25RF |
1 |
20ครั้งที่สอง |
15 |
HG/T20592-2009 ฝาครอบหน้าแปลน |
BL150-25RF |
1 |
20ครั้งที่สอง |
|
14 |
HG/T20592-2009 |
ข้อต่อซ็อกเก็ต |
RP1/2 |
1 |
20# |
13 |
กิกะไบต์/T6170-2015 |
นัท |
ม24 |
8 |
45# |
12 |
กิกะไบต์/T5782-2016 |
สายฟ้า |
M24X100 |
8 |
45# |
11 |
กิกะไบต์/T8163-2018 |
เชื่อมต่อท่อ |
φ159X4.5 |
1 |
20# |
10 |
อ้างอิง HG/T21574-2008 |
ยกดึง |
ทีพีบี-3 |
2 |
Q235B |
9 |
ข้อต่อซ็อกเก็ต |
M20X1.5 |
1 |
20# |
|
8 |
ป้ายชื่อ |
160x110x30 |
1 |
การประกอบ |
|
7 |
กิกะไบต์/T713.2-2023 |
เปลือก |
DN1400X10 |
1 |
Q345R |
6 |
กิกะไบต์/T25198-2023 |
ศีรษะ |
EHA1400X10(8.5) |
2 |
Q345R |
5 |
NB/T11025-2022 |
แผ่น |
dN350x6-C(610) |
1 |
Q345R |
4 |
กิกะไบต์/T8163-2018 |
เชื่อมต่อท่อ |
φ377X8 |
1 |
20# |
3 |
HG/T20592-2009 |
หน้าแปลน |
PL350(B)-25RF |
1 |
20ครั้งที่สอง |
2 |
HG/T20592-2009 |
ฝาครอบหน้าแปลน |
BL350-25RF |
1 |
20ครั้งที่สอง |
1 |
อ้างอิง NB/T47065.4-2018 |
สนับสนุน |
A2 |
3 |
Q345R |
เลขที่ |
หมายเลขภาพวาดหรือหมายเลขมาตรฐาน |
ชื่อ |
ข้อมูลจำเพาะและรุ่น |
ปริมาณ |
วัสดุ |



ส่วนประกอบทางเคมี เปลี่ยนแปลงความเข้มข้นของสารเคมี หรือส่งผลต่อตัวชี้วัดคุณภาพน้ำ เช่น pH และการนำไฟฟ้า ไม่มีข้อขัดแย้งทางเคมีกับระบบจ่ายสารเคมี
3. หน่วยนี้มีอินเทอร์เฟซการสื่อสารมาตรฐาน (Modbus, BACnet) ช่วยให้สามารถเชื่อมต่อกับอุปกรณ์จ่ายสารเคมีและระบบตรวจสอบคุณภาพน้ำของโครงการ เพื่อให้เกิดการควบคุมอัตโนมัติเต็มรูปแบบกระบวนการ: การปรับแรงดันให้เสถียร → การตรวจสอบคุณภาพน้ำ → การจ่ายสารเคมีที่แม่นยำ → การไล่ก๊าซแบบลึก
(III) ไม่มีผลข้างเคียงหรือความเสี่ยง
1. ไม่สลายตัว เป็นกลาง หรือออกซิไดซ์สารเคมี และไม่ลดประสิทธิภาพ ไม่มีการผลิตผลพลอยได้และคุณภาพน้ำไม่ก่อให้เกิดมลพิษ
2. การไล่แก๊สและการรักษาเสถียรภาพของแรงดันเป็นกระบวนการทางกายภาพที่ต่อเนื่องซึ่งไม่ขัดขวางการไหลเวียน ส่งผลต่อความต่อเนื่องของการบำบัดทางเคมี เพิ่มความต้านทานของระบบ หรือทำให้ขนาดรุนแรงขึ้น
3. ภายใต้สภาวะที่มีอุณหภูมิสูงและสภาพอากาศแห้ง ระบบสูญญากาศของเครื่องจะถูกปิดผนึกอย่างเชื่อถือได้โดยไม่มีความเสี่ยงต่อการแทรกซึมของอากาศ ป้องกันความล้มเหลวของสารเคมีที่เกิดจากออกซิเดชัน
บทสรุป
โดยสรุป หน่วยนี้สามารถนำไปใช้กับโครงการศูนย์การประชุมแองโกลาได้อย่างปลอดภัยและมีประสิทธิภาพ และร่วมกันรับประกันการทำงานที่เสถียรของระบบในระยะยาวร่วมกับกระบวนการบำบัดทางเคมี
ตารางพารามิเตอร์เสียงรบกวนของปั๊ม
| เลขที่ | รุ่นปั๊ม | การไหล (m³/ชม.) |
หัว (ม.) |
กำลัง (กิโลวัตต์) |
จำนวน (ชุด) |
พารามิเตอร์เสียงของปั๊ม |
| 1 | เฮลิกซ์ เฟิร์ส V411-5/25 | 2 ลบ.ม./ชม | 83 | 1.5KW | 1 | 65dB |
| 2 | ส่วนที่เป็นเกลียว เฟิร์ส V1608-5/25 | 16 ลบ.ม./ชม | 83 | 5.5KW | 2 | 65dB |
แผนผังของหน่วยกำจัดก๊าซแรงดันคงที่

ข้อดีหลัก
ฟังก์ชันบูรณาการ Trinity: รวมการควบคุมแรงดันคงที่ การจ่ายน้ำอัตโนมัติ และการกำจัดก๊าซแบบสุญญากาศเป็นหนึ่งเดียว ทำให้มีการทำงานแบบมัลติฟังก์ชั่นด้วยอุปกรณ์ตัวเดียว ซึ่งช่วยให้การกำหนดค่าระบบทำได้ง่ายขึ้นและลดการลงทุนด้านอุปกรณ์
เทคโนโลยีขั้นสูงระดับสากล: นำเทคโนโลยีขั้นสูงระดับสากลที่พัฒนาโดยบริษัทของเรามาใช้อย่างเป็นอิสระ ทำให้มั่นใจได้ถึงประสิทธิภาพที่เสถียร ประสิทธิภาพในการไล่แก๊สสูง และการควบคุมแรงดันที่แม่นยำ ตรงตามข้อกำหนดมาตรฐานสูงของระบบหมุนเวียนน้ำสมัยใหม่
การควบคุม PLC อัจฉริยะ: ติดตั้งระบบควบคุม PLC ประสิทธิภาพสูง ซึ่งให้การทำงานอัตโนมัติเต็มรูปแบบ รวมถึงการปรับแรงดันอัตโนมัติ การเติมน้ำอัตโนมัติ การกำจัดก๊าซอัตโนมัติ และการปล่อยน้ำขยายอัตโนมัติ ช่วยลดการแทรกแซงด้วยตนเองและปรับปรุงประสิทธิภาพการดำเนินงาน
ประเภทอุปกรณ์ที่ยืดหยุ่น: มีให้เลือกสองประเภท (ประเภทความดันบรรยากาศและประเภทบังคับ) ซึ่งสามารถจับคู่ได้อย่างยืดหยุ่นตามสภาพการทำงานจริงและข้อกำหนดของระบบน้ำของผู้ใช้
การกำหนดค่าที่ปรับแต่งได้: รองรับการปรับแต่ง OEM/ODM ตามความต้องการของผู้ใช้ สามารถเลือกวัสดุถังขยายเป็นเหล็กกล้าคาร์บอนมาตรฐานหรือสแตนเลสเสริม 304/316 (เกรดอาหาร ทนทานต่อการกัดกร่อนสูง) เพื่อปรับให้เข้ากับสถานการณ์การใช้งานที่แตกต่างกัน
เชื่อถือได้และทนทาน: ใช้ส่วนประกอบหลักคุณภาพสูง (ปั๊มน้ำ ระบบควบคุม PLC ฯลฯ) และการออกแบบโครงสร้างทางวิทยาศาสตร์ เพื่อให้มั่นใจว่าการทำงานมีเสถียรภาพ อายุการใช้งานยาวนาน และอัตราความล้มเหลวต่ำ ซึ่งช่วยลดต้นทุนการบำรุงรักษา
ใช้งานได้กว้าง: เหมาะสำหรับระบบน้ำปิดต่างๆ เช่น HVAC, เครื่องทำความร้อนส่วนกลาง และการไหลเวียนทางอุตสาหกรรม แก้ปัญหาความไม่แน่นอนของแรงดัน การขาดแคลนน้ำ และการสะสมของก๊าซได้อย่างมีประสิทธิภาพ ทำให้มั่นใจถึงการทำงานที่ปลอดภัยและมีประสิทธิภาพของระบบ
ฟิลด์แอปพลิเคชัน
ระบบทำความร้อนส่วนกลาง: ใช้กับระบบทำความร้อนส่วนกลางสำหรับที่พักอาศัย เชิงพาณิชย์ และอุตสาหกรรม ซึ่งใช้สำหรับการรักษาเสถียรภาพของแรงดัน การเติมน้ำอัตโนมัติ และการกำจัดแก๊ส เพื่อให้มั่นใจว่าระบบทำความร้อนสม่ำเสมอและการทำงานของระบบมีเสถียรภาพ
ระบบ HVAC: เหมาะสำหรับระบบน้ำปรับอากาศส่วนกลาง (น้ำเย็น น้ำหล่อเย็น) รักษาแรงดันของระบบให้คงที่ กำจัดก๊าซในน้ำ และปรับปรุงประสิทธิภาพการแลกเปลี่ยนความร้อนของระบบปรับอากาศ
ระบบน้ำหมุนเวียนทางอุตสาหกรรม: ใช้ในระบบน้ำหมุนเวียนทางอุตสาหกรรมแบบปิดของอุตสาหกรรมต่างๆ เพื่อให้มั่นใจถึงแรงดันคงที่ การเติมน้ำอัตโนมัติ และการกำจัดก๊าซอิสระและก๊าซละลายเพื่อป้องกันการกัดกร่อนและการอุดตันของท่อ
ระบบน้ำปิดอื่นๆ: ใช้ได้กับสถานการณ์การไหลเวียนของน้ำแบบปิดอื่นๆ ที่ต้องใช้แรงดันคงที่ การจ่ายน้ำอัตโนมัติ และการกำจัดก๊าซ โดยให้การสนับสนุนการบำบัดน้ำอย่างครอบคลุม
วิธีการใช้งานและข้อควรระวังเพื่อความปลอดภัย
วิธีการใช้งาน
การเลือกอุปกรณ์: เลือกประเภทอุปกรณ์ที่เหมาะสม (ประเภทความดันบรรยากาศหรือประเภทบังคับ) และการกำหนดค่าตามประเภทของระบบน้ำปิด สภาพการทำงานจริง และข้อกำหนด ตรวจสอบวัสดุถังขยาย (เหล็กกล้าคาร์บอนมาตรฐานหรือเหล็กกล้าไร้สนิมเสริม 304/316) ตามความจำเป็น
การติดตั้งและการว่าจ้าง: ติดตั้งอุปกรณ์บนฐานที่มั่นคงและเรียบ เชื่อมต่อท่อทางเข้าและทางออก แหล่งจ่ายไฟ และสายควบคุมอย่างถูกต้อง ทีมงานด้านเทคนิคมืออาชีพจะว่าจ้างอุปกรณ์ ตั้งค่าพารามิเตอร์ที่เกี่ยวข้อง (เช่น ค่าความดันคงที่ การไหลของน้ำประปา) และทดสอบฟังก์ชันการไล่แก๊ส การรักษาแรงดัน และการเติมน้ำ
การทำงานอัตโนมัติ: หลังจากการทดสอบการใช้งาน อุปกรณ์จะเข้าสู่โหมดการทำงานอัตโนมัติเต็มรูปแบบ ระบบควบคุม PLC จะตรวจสอบความดันของระบบและระดับน้ำแบบเรียลไทม์ ปรับการทำงานของปั๊มน้ำโดยอัตโนมัติเพื่อให้มีการเติมน้ำอัตโนมัติ ปล่อยน้ำที่ขยายตัวออกโดยอัตโนมัติเมื่อความดันของระบบสูงเกินไป และกำจัดก๊าซอิสระและก๊าซที่ละลายอยู่ในระบบอย่างต่อเนื่อง
การบำรุงรักษารายวัน: ตรวจสอบสถานะการทำงานของปั๊มน้ำ ถังกำจัดก๊าซ และถังขยายอย่างสม่ำเสมอ ตรวจสอบความแน่นของท่อและวาล์วเพื่อป้องกันการรั่วซึม ทำความสะอาดถังไล่แก๊สและตัวกรองเป็นประจำเพื่อให้มั่นใจถึงประสิทธิภาพในการไล่แก๊ส ตรวจสอบระบบควบคุม PLC เป็นประจำเพื่อให้แน่ใจว่าการส่งสัญญาณปกติและความเสถียรของพารามิเตอร์
ข้อควรระวังด้านความปลอดภัย
ตรวจสอบให้แน่ใจว่าอุปกรณ์ได้รับการติดตั้งและทดสอบการใช้งานโดยบุคลากรมืออาชีพ เพื่อหลีกเลี่ยงความเสียหายของอุปกรณ์หรืออันตรายด้านความปลอดภัยที่เกิดจากการติดตั้งและการตั้งค่าพารามิเตอร์ที่ไม่ถูกต้อง
ในระหว่างการใช้งาน ห้ามถอดแยกชิ้นส่วนอุปกรณ์ ท่อ หรือส่วนประกอบควบคุมโดยไม่ได้รับอนุญาต หากพบความผิดปกติใดๆ (เช่น แรงดันผิดปกติ การรั่วไหล หรือความล้มเหลวในการลดก๊าซ) ให้หยุดเครื่องทันทีและติดต่อบุคลากรด้านเทคนิคมืออาชีพเพื่อการบำรุงรักษา
ตรวจสอบแรงดันของถังขยายและสถานะการทำงานของปั๊มน้ำเป็นประจำ เพื่อหลีกเลี่ยงไม่ให้อุปกรณ์ทำงานหนักเกินไปซึ่งเกิดจากแรงดันมากเกินไปหรือน้ำประปาไม่เพียงพอ
เมื่อเลือกวัสดุถังขยาย ให้เลือกตามคุณภาพน้ำจริงและสถานการณ์การใช้งาน สำหรับข้อกำหนดด้านความต้านทานการกัดกร่อนเกรดอาหารหรือการกัดกร่อนสูง ให้เลือกวัสดุสแตนเลส 304/316
จัดเก็บและใช้อุปกรณ์ในสภาพแวดล้อมที่แห้งและระบายอากาศได้ดี ห่างจากแสงแดดโดยตรง อุณหภูมิสูง และสารที่มีฤทธิ์กัดกร่อน เพื่อยืดอายุการใช้งานของอุปกรณ์
ผู้ปฏิบัติงานควรทำความคุ้นเคยกับคู่มือการใช้งานอุปกรณ์ก่อนใช้งาน และสวมอุปกรณ์ป้องกันที่เหมาะสมเมื่อตรวจสอบและบำรุงรักษาอุปกรณ์เพื่อหลีกเลี่ยงการบาดเจ็บจากอุบัติเหตุ
เก็บอุปกรณ์ให้พ้นมือเด็กและบุคลากรที่ไม่ได้รับอนุญาตเพื่อป้องกันการทำงานผิดพลาดและการบาดเจ็บจากอุบัติเหตุ
คำถามที่พบบ่อย
หน่วยแต่งหน้าน้ำแรงดันคงที่สามารถใช้ได้ที่ไหน?
เหมาะสำหรับระบบน้ำปิด เช่น ระบบ HVAC (เครื่องปรับอากาศส่วนกลาง) ระบบทำความร้อนส่วนกลาง และระบบหมุนเวียนทางอุตสาหกรรม ช่วยให้มั่นใจได้ถึงแรงดันของระบบที่มั่นคง ตระหนักถึงการเติมน้ำอัตโนมัติ และกำจัดก๊าซในระบบ เพื่อให้มั่นใจถึงการทำงานที่ปลอดภัยและมั่นคงของระบบน้ำแบบปิด
ส่วนประกอบหลักของหน่วยแต่งหน้าน้ำแรงดันคงที่คืออะไร?
ส่วนประกอบหลัก ได้แก่ ถังขยาย ปั๊มน้ำ ระบบควบคุม PLC และวาล์วสำหรับการรักษาเสถียรภาพแรงดันและการจ่ายน้ำอัตโนมัติ นอกจากนี้ อุปกรณ์ยังติดตั้งถังไล่แก๊สและอุปกรณ์เสริมอื่นๆ เพื่อให้ทราบถึงฟังก์ชันแบบบูรณาการของการไล่แก๊ส แรงดันคงที่ และการเติมน้ำ
วัสดุหลักของถังขยายคืออะไร?
วัสดุมาตรฐานของถังขยายคือเหล็กกล้าคาร์บอน สำหรับผู้ใช้ที่มีความต้องการพิเศษ (เช่น มาตรฐานเกรดอาหารหรือความต้องการความต้านทานการกัดกร่อนสูง) เรามีวัสดุเสริมสแตนเลส 304/316 เพื่อตอบสนองสถานการณ์การใช้งานที่แตกต่างกัน
เราสามารถปรับแต่งอุปกรณ์ได้หรือไม่?
ใช่ เรามีบริการปรับแต่ง OEM/ODM ตามความต้องการเฉพาะของคุณ เราสามารถปรับแต่งประเภทอุปกรณ์ (ประเภทความดันบรรยากาศหรือประเภทบังคับ) วัสดุถังขยาย ขนาด พารามิเตอร์การควบคุม และการกำหนดค่าอื่นๆ เพื่อให้ตรงกับสภาพการทำงานจริงและความต้องการของระบบได้อย่างสมบูรณ์แบบ
บริษัทของคุณเป็นบริษัทการค้าหรือผู้ผลิตหรือไม่?
เราเป็นผู้ผลิตมืออาชีพที่มีความสามารถในการผลิตและส่งออกภายในองค์กร บริษัทของเราบูรณาการการวิจัยและพัฒนา การผลิต และการค้าระหว่างประเทศ โดยเสนอราคาตรงจากโรงงานเพื่อลดต้นทุนการจัดซื้อของคุณ นอกจากนี้เรายังมีทีมงานด้านเทคนิคมืออาชีพคอยให้คำปรึกษาก่อนการขายและการสนับสนุนหลังการขายอย่างครอบคลุม
อะไรคือความแตกต่างระหว่างอุปกรณ์ประเภทความดันบรรยากาศและอุปกรณ์ประเภทบังคับ?
ประเภทความดันบรรยากาศเหมาะสำหรับสถานการณ์ที่มีความดันของระบบค่อนข้างคงที่และความต้องการน้ำมีความผันผวนเล็กน้อย โดยมีโครงสร้างที่เรียบง่ายและการใช้พลังงานต่ำ ประเภทบังคับเหมาะสำหรับสถานการณ์ที่มีความผันผวนของแรงดันของระบบสูงและความต้องการน้ำสูง ซึ่งสามารถให้ความสามารถในการจ่ายน้ำที่แข็งแกร่งขึ้นและการควบคุมแรงดันที่เสถียรมากขึ้นเพื่อตอบสนองสภาพการทำงานที่มีความต้องการสูง
อุปกรณ์จะกำจัดก๊าซอิสระและก๊าซที่ละลายอยู่ในระบบอย่างไร
อุปกรณ์ดังกล่าวมีถังไล่แก๊สแบบพิเศษ ซึ่งใช้เทคโนโลยีสุญญากาศเพื่อแยกก๊าซอิสระและก๊าซที่ละลายออกจากน้ำ ระบบควบคุม PLC จะตรวจสอบปริมาณก๊าซในระบบแบบเรียลไทม์ และปล่อยก๊าซที่แยกออกจากกันโดยอัตโนมัติเพื่อให้แน่ใจว่าระบบไม่มีการสะสมของก๊าซ หลีกเลี่ยงการกัดกร่อนของท่อและการลดประสิทธิภาพการแลกเปลี่ยนความร้อนที่เกิดจากก๊าซ