nybanner1
You are here: Home » Application » Commercial Buildings

Commercial Buildings

Shanghai SK Tower Project – Greywater Collection and Reuse System

1. Basic Information:

The Shanghai SK Tower project, in compliance with LEED and Green Building Certification requirements, is equipped with a greywater collection and reuse system.

2. Project Plan:

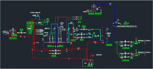
The greywater collection covers air-conditioning condensate and washbasin wastewater from the office building.  The average daily domestic wastewater volume is 95 m³/d, with a peak of 11.4 m³/h;  the average daily air-conditioning condensate volume is 32.4 m³/d, with a peak of 3.2 m³/h.  The system includes a 130 m³ raw water storage tank with a treatment capacity of 15 m³/h.  The treated greywater and rainwater share a 60 m³ clean water tank.  Two sets of greywater pump groups are provided (each with two pumps, one duty and one standby): Pump Group 1 is used for landscaping and road cleaning;  Pump Group 2 supplies flushing water for restrooms on Floors 1–14.


图片 23. Related System Engineering

4.  Rainwater Collection and Greywater Reuse – Preliminary Process


Subscribe to Our Email

Please leave your email address and we will contact you as soon as possible!

Quick Links

Products

Contact Us

 Telephone: +86-21-65424668
 Cellphone: +86-153-0166-9079
 WhatsApp: +1-725-242-9842
 Email:  yxmei@china-xiba.com
 Address: 5th Floor, Block B, Baishu Building, No. 1230 Zhongshan North 1st Road, Shanghai
Copyright © 2025 Shanghai Emperor of Cleaning Hi-Tech Co., Ltd. All Rights Reserved. Sitemap | Privacy Policy